AG旗舰厅 (中国大陆) Apple StoreAG旗舰厅

应用方案
中高压变频器应用方案
行业需求
中压变频器一般指电压为660V~690V、1140V的变频器。目前,中压变频器应用于城市供水,油田的潜油电泵、注水泵、磕头机,煤矿中的主井风机、皮带机、掘煤机(防爆)等等领域,获得了良好的经济效益与社会效益。
高压变频器一般指电压大于1140V的变频器。目前,在冶金、化工、电力、市政供水和采矿等行业广泛应用的泵类负载,占整个用电设备能耗的40%左右,电费在自来水厂甚至占制水成本的50%。这是因为:一方面,设备在设计时,通常都留有一定的余量;另一方面,由于工况的变化,需要泵机输出不同的流量。随着市场经济的发展和自动化,智能化程度的提高,采用高压变频器对泵类负载进行速度控制,不但对改进工艺、提高产品质量有好处,又是节能和设备经济运行的要求,是可持续发展的必然趋势。对泵类负载进行调速控制的好处甚多。
行业应用方案
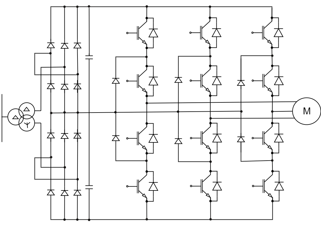
拓扑1 拓扑2 拓扑3

拓扑1:整流+三相三电平方案该拓扑主要用于中压变频器。

拓扑2:整流+三相桥方案

拓扑3:整流+H桥方案

模块选型推荐
请选择电压

全部电压

1700V

1200V

1000V

750V

650V

600V

请选择电流

全部电流

1400A

1200A

1000A

900A

820A

800A

750A

720A

660A

650A

600A

560A

500A

450A

400A

340A

300A

275A

260A

225A

200A

160A

150A

140A

120A

100A

75A

50A

40A

35A

30A

25A

20A

15A

10A

-

请选择封装

全部封装

C1

C2

C2.1

C3

C3.2

C5

C6

C6.1

C8

C8.1

L2

L3

L4

L6

F1

F6

P2

P3

P6

P7

T2

T6

N4

N5

N6

U1

U3

U5

型号
电压
电流
封装
拓扑
Copyright © 2024 AG旗舰厅半导体股份有限公司. All Rights Reserved. 浙ICP备87381642号-1 网站地图
AG旗舰厅