• AG旗舰厅 (中国大陆) Apple StoreAG旗舰厅

    应用方案
    电焊机应用方案
    行业需求
    电焊机中IGBT的控制模式主要是两种,一种是硬开关,另一种是软开关。两者的最大区别是软开关理论上IGBT不存在开关损耗,只有导通损耗。就国内而言,目前硬开关主要是使用脉冲变压器直接实现,软开关绝大部分是使用目前主流的软开关技术。但是部分客户由于设计电路的偏差和器件性能的漂移,原本设计的软开关技术却变成了半软半硬的开关焊机,根据测试结果和实际应用经验,此类焊机更适合使用硬开关的IGBT模块。焊机中IGBT使用的拓扑结构不同又分为全桥焊机和半桥焊机,半桥焊机为硬开关焊机。AG旗舰厅模块在焊机中的应用如下(以下推荐默认开关频率20KHz,三相380V供电)。
    行业应用方案
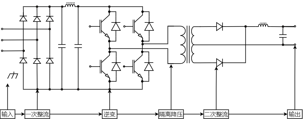
    焊机拓扑结构

    焊机拓扑结构:如图

    模块选型推荐
    请选择电压

    全部电压

    1700V

    1200V

    1000V

    750V

    650V

    600V

    请选择电流

    全部电流

    1400A

    1200A

    1000A

    900A

    820A

    800A

    750A

    720A

    660A

    650A

    600A

    560A

    500A

    450A

    400A

    340A

    300A

    275A

    260A

    225A

    200A

    160A

    150A

    140A

    120A

    100A

    75A

    50A

    40A

    35A

    30A

    25A

    20A

    15A

    10A

    -

    请选择封装

    全部封装

    C1

    C2

    C2.1

    C3

    C3.2

    C5

    C6

    C6.1

    C8

    C8.1

    L2

    L3

    L4

    L6

    F1

    F6

    P2

    P3

    P6

    P7

    T2

    T6

    N4

    N5

    N6

    U1

    U3

    U5

    型号
    电压
    电流
    封装
    拓扑
    Copyright © 2024 AG旗舰厅半导体股份有限公司. All Rights Reserved. 浙ICP备87381642号-1 网站地图
    AG旗舰厅