AG旗舰厅 (中国大陆) Apple StoreAG旗舰厅

应用方案
商用空调应用方案
行业需求
商用空调种类颇多,包括多联机组、风冷热泵型中央空调机组、水冷螺杆式冷水机组、离心式冷水机组等等。随着国内经济高速发展,大型现代化办公楼、宾馆、商业综合体不断兴起,为商用空调撑起巨大市场空间。
行业应用方案
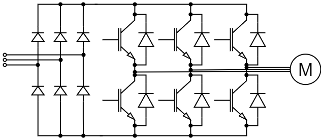
系统拓扑
模块选型推荐
请选择电压

全部电压

1700V

1200V

1000V

750V

650V

600V

请选择电流

全部电流

1400A

1200A

1000A

900A

820A

800A

750A

720A

660A

650A

600A

560A

500A

450A

400A

340A

300A

275A

260A

225A

200A

160A

150A

140A

120A

100A

75A

50A

40A

35A

30A

25A

20A

15A

10A

-

请选择封装

全部封装

C1

C2

C2.1

C3

C3.2

C5

C6

C6.1

C8

C8.1

L2

L3

L4

L6

F1

F6

P2

P3

P6

P7

T2

T6

N4

N5

N6

U1

U3

U5

型号
电压
电流
封装
拓扑
Copyright © 2024 AG旗舰厅半导体股份有限公司. All Rights Reserved. 浙ICP备87381642号-1 网站地图
AG旗舰厅